小模数渐开线齿轮铣刀结构及齿形设计要求
发表时间:2020-05-22 网址:https://www.utransm.com/ 编辑:一同传动
小模数渐开线齿轮铣刀结构及齿形设计要求分别如下,供参考了解。
小模数渐开线齿轮铣刀结构:
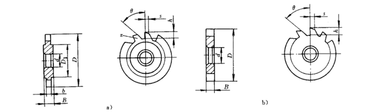
小模数齿轮铣刀结构型式有两种,带台肩式和平肩式,不论是加工渐开线齿轮还是加工摆线齿轮或加工其他非渐开线齿轮。

而常用铣刀材料有:高速工具钢和硬质合金。
小模数渐开线齿轮铣刀齿形设计要求:
从渐开线齿形的形成原理知,模数相同、齿数不同的齿轮,由于基圆直径不同,其渐开线齿形是不同的。
因此,从理论上讲,同模数、不同齿数的齿轮,都需要专用的铣刀。
而为降低生产成本简化刀具管理,在实际生产中对标准模数齿轮铣刀进行分号,每把铣刀加工规定范围内的不同齿数但模数相同的渐开线齿轮。
<上一篇:小模数齿轮轴铣齿加工工艺(供参考了解)
>下一篇:齿轮铣齿的5种齿形误差的及其原因说明
CN
EN
广东一同传动有限公司 



























